
Rectifier circuits are essential components in electronics, converting alternating current (AC) to direct current (DC). This conversion is critical for powering devices that require stable DC voltage, from household appliances to industrial machinery. This guide explores the types, operation, analysis, and applications of rectifier circuits, providing a thorough understanding of their design and functionality.
Basics of Rectification
- AC vs. DC: AC periodically reverses direction, while DC flows consistently in one direction. Rectifiers bridge these two by allowing current to pass in only one direction.
- Need for Rectification: Most electronic devices operate on DC, making rectifiers vital in power supplies, battery chargers, and more.
Types of Rectifier Circuits
1. Half-Wave Rectifier
- Circuit: Single diode connected in series with a load.
- Operation: Conducts during the positive half-cycle of AC input; blocks the negative half-cycle.
- Output Waveform: Pulsed DC with high ripple.
- Key Equations:
- Average Output Voltage: Vavg=Vpπ
- Ripple Factor: γ=1.21
- Efficiency: ~40.6%
- Advantages: Simple, low cost.
- Disadvantages: Low efficiency, high ripple.
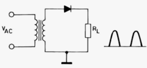
2. Full-Wave Rectifier (Center-Tapped)
- Circuit: Two diodes and a center-tapped transformer.
- Operation: Alternating diodes conduct during each half-cycle, utilizing both halves of the AC input.
- Output Waveform: Less ripple compared to half-wave.
- Key Equations:
- Average Output Voltage: Vavg=2Vpπ
- Ripple Factor: γ=0.482
- Efficiency: ~81.2%
- Peak Inverse Voltage (PIV): 2Vp
- Advantages: Higher efficiency.
- Disadvantages: Requires bulky center-tapped transformer.
3. Bridge Rectifier
- Circuit: Four diodes in a bridge configuration.
- Operation: Two diodes conduct during each half-cycle, eliminating the need for a center tap.
- Output Waveform: Similar to full-wave rectifier.
- Key Equations: Same as full-wave rectifier.
- PIV: Vp
- Advantages: No center tap, higher efficiency.
- Disadvantages: Four diodes increase voltage drop.
4. Three-Phase Rectifiers
- Circuit: Six diodes for three-phase AC input.
- Operation: Provides continuous DC with minimal ripple, ideal for industrial applications.
- Advantages: High efficiency, low ripple.
- Disadvantages: Complex circuitry.
Advanced Rectifier Types
- Controlled Rectifiers: Use thyristors (SCRs) for adjustable output via phase control.
- Precision Rectifiers: Op-amp-based circuits for accurate small-signal rectification.
- Voltage Multipliers: Generate higher DC voltages (e.g., voltage doublers).
Components and Design Considerations
- Diodes: Selected based on PIV and current ratings. Schottky diodes reduce voltage drop.
- Transformers: Step-down voltage as needed; center-tapped for full-wave rectifiers.
- Filters: Capacitors smooth output; C=If⋅Vripple calculates required capacitance.
- Heat Management: Heat sinks prevent thermal runaway in high-power applications.
Analysis and Calculations
- Ripple Factor: Measures smoothness of DC output. Lower values indicate better filtering.
- Efficiency: Ratio of DC output power to AC input power. Full-wave rectifiers double half-wave efficiency.
- PIV: Critical for diode selection to avoid breakdown.
Applications
- Power Supplies: Bridge rectifiers common in SMPS and linear supplies.
- Battery Chargers: Simple rectifiers with filters for steady charging current.
- HVDC Transmission: High-power rectifiers for efficient long-distance power transfer.
- RF Demodulation: Extract audio signals in communication devices.
Comparison Table
| Parameter | Half-Wave | Full-Wave | Bridge | Three-Phase |
|---|---|---|---|---|
| Diodes | 1 | 2 | 4 | 6 |
| PIV | Vp | 2Vp | Vp | 3Vp |
| Efficiency | 40.6% | 81.2% | 81.2% | >90% |
| Ripple Factor | 1.21 | 0.482 | 0.482 | <0.1 |
| Transformer Tap | No | Yes | No | No |
Troubleshooting and Safety
- Common Issues: Diode failure (check PIV), capacitor leakage, transformer faults.
- Safety: Ensure components are rated for voltage/current; use isolation transformers.
Conclusion
Rectifier circuits are foundational in modern electronics, with each type serving specific needs. Half-wave rectifiers suit low-cost applications, while bridge and three-phase rectifiers offer efficiency for demanding environments. Understanding their operation and design enables optimal selection for any application, ensuring reliable DC power delivery.
- Everything You Need To Know About Limit Switch - May 21, 2025
- Everthing You Should Know About Rheostat - May 20, 2025
- Everything You Need To Know About Reversing Contactor - May 19, 2025






